黑龙江省2021地理模拟试题及答案
一、单项选择题(共40小题,每小题1.5分,共60分)
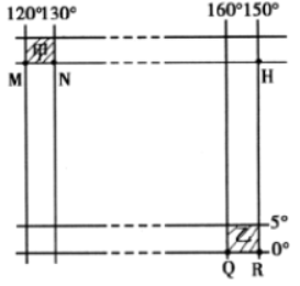
下图甲、乙两区域所跨纬度相同,MN实地距离约为QR一半。读图,完成1-2题。

1.关于图示,下列说法正确的是
A.甲乙两区域实际面积相等
B.NH两点间的最短距离约是4440km
C.由M飞向H的最短航线方向是先向西北,后向西南
D.MN段的比例尺大于QR段
2.某人从赤道上Q点以南60千米处,依次向正东、正北、正西、正南行驶100千米,则最后回到
A.原出发地正北 B.原出发地正东
C.原出发地正西 D.原出发地
如图甲为波兰位置图,图乙为秘鲁位置图。读图回答3-4题。

3.有关甲、乙两图的叙述,正确的是
A.图甲的比例尺比图乙小 B.波兰位于秘鲁的西北方向
C.波兰和秘鲁皆位于西半球 D.波兰位于秘鲁的东北方向
4.根据地理坐标可计算出秘鲁国土南北最大距离约为
A.440km B.1200km C.1998km D.2965km
右图是浙江省某地等高线地形图,读图完成5-7题。

5.图中既能看到甲村又能看到乙村的地点是
A.① B.② C.③ D.④
6.对于甲、乙两村的描述,不符合事实的是
A.甲村位于山南坡,采光比乙村好 B.乙村适合种茶树
C.乙村靠近河流,比甲村更适合发展为城市D.两村都有梅雨天气
7.某俱乐部要在图中陡崖处开展攀岩运动,队员们用仪器测量出陡崖的相对高度可能是
A.200米 B.150米 C.450米 D.500米
某中学地理研学小组到华北某地进行研学。该地正在打造“太阳山”工程——建设大型山坡集中式光伏发电站,下图示意该地等高线分布。据此完成8-10题。

8.研学小组发现大面积集中式光伏发电站主要分布在
A.甲 B.乙 C.丙 D.丁
9.图中桥梁与山峰的高差可能是
A.510米 B.540米 C.570米 D.590米
10.学生通过研学得知
A.目测山峰海拔约915米 B.甲地坡面径流流向东南
C.甲地可观测到丁地植被 D.桥梁是欣赏瀑布的最佳地点
堰塞湖是因山体岩石崩塌导致的滑坡体等堵截河谷而形成的湖泊。读某堰塞湖形成示意图,完成11-12题。

11.图中堰塞体最有可能来自
A.西侧
B.南侧
C.东侧
D.北侧
12.受该堰塞湖影响较大的聚落是
A.①② B.②③
C.③④ D.④⑤
右图为地球圈层结构示意图。读图,完成13-14题。

13.图中数码所代表的地球圈层正确的有
A.①为地壳
B.②为岩石圈
C.③为软流层
D.④为下地幔
14.下列有关地球圈层特点的叙述,正确的有
A.①圈层气温随高度增加而递减
B.②圈层的厚度陆地较海洋大
C.③圈层横波不能穿过
D.④圈层的物质状态为固体
“海底黑烟囱”是指海水从地壳裂缝渗入地下,遇到熔岩被加热,溶解了周围岩层中的金银等金属后又从地下喷出,这些金属经过化学反应形成硫化物沉积在附近的海底,像“烟囱”形状一样堆积而成。下图为海底黑烟囱形成过程示意图,据此回答15-16题。

15.形成海底黑烟囱的主要地质作用有
A.岩浆活动和地壳运动B.变质作用和火山活动
C.岩浆活动和外力作用D.地壳运动和外力作用
16.根据海底黑烟囱的形成原理,可推测海底黑烟囱主要分布在
①大洋内部 ②大洋边缘③板块生长边界附近 ④板块消亡边界附近
A.①③ B.②③ C.①④ D.②④
下图为我国某局部地区地形及地表岩层分布情况示意图,该地的地下岩层也均成层分布。读图完成17-18题。

17.图示地区
A.山脉大体上呈南北走向 B.a处受外力堆积作用明显
C.b处可以开采到地下水 D.c处岩层受挤压形成向斜
18.若a和e两地自然植被类型不同,则d名山最可能是
A.长白山 B.华山
C.泰山 D.黄山
大瓦山位于我国四川省,横断山东侧,为世界第二大桌状山。桌状山常发育在近于水平或倾斜平 缓的软硬相间的岩层分布区,受流水的强烈侵蚀切割,顶部覆有坚硬的岩层时,就会形成顶平坡陡的 桌状山。大瓦山是地形倒置的向斜山,山体分两层:下部是构成山体基底的石灰岩,上部是层层堆叠 的玄武岩。据此完成19-20题。

19.大瓦山桌状地貌的形成过程可能是
A.沉积作用—板块挤压—褶皱断层—岩浆喷出活动—断块抬升
B.板块挤压—岩浆侵入活动—地壳抬升—周边岩层被侵蚀、搬运
C.板块挤压—褶皱断层—地壳下陷—沉积作用—地壳抬升
D.褶皱断层—岩浆喷出活动—断块下沉—外力沉积形成石灰岩
20.假若玄武岩层和石灰岩层的上下位置颠倒一下,呈现的地貌最可能是
A.桌状山 B.丹霞地貌 C.雅丹地貌 D.喀斯特地貌
下图为我国江南地区某河谷剖面示意图。读下图,回答21-22题。

21.关于该河谷自然环境特征的描述,可能正确的是
A.由于整体构造抬升,河流下切侵蚀,宽广的谷底形成阶地
B.每年3、4月是该河的洪水期
C.谷底白天升温迅速,盛行上升气流,水汽不易凝结成雨
D.丙处为红壤,土壤贫瘠
22.该河谷地区最适宜聚落布局的是
A.甲地B.乙地 C.丙地 D.丁地
鼓丘是由一个基岩核心和冰砾泥组成的数百米长的流线型小丘,是冰川前进过程中,底部砾泥物质翻越凸起的基岩后,冰川前进能力减弱,砾泥物质堆积而成,下图为某地鼓丘平面示意图,闭合曲线为等高线(单位:米)。读右图完成23-24题。

23.塑造图示地貌形态的冰川前进方向为
A.正北 B.正南
C.西北 D.东南
24.该地最可能位于
A.东欧平原 B.辽东丘陵
C.东北平原 D.中西伯利亚高原
海岸线的进退主要受到流水沉积、海水侵蚀和人类活动的影响。读某海岸线历史变迁图(下图),回答25-26题。

25.近现代以来,图中海岸一直以堆积作用为主的是
A.甲 B.乙
C.丙 D.丁
26.图中乙处的海岸线变化较大,下列关于其所受外力作用的叙述,正确的是
A.4至12世纪,侵蚀作用为主
B.12至15世纪,堆积作用为主
C.15至19世纪,侵蚀作用为主
D.19世纪至现代,堆积作用为主
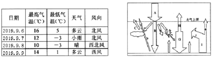
下图为我国北方某地四天天气资料和“对流层大气受热过程图”,据此完成27-28题。

27.该地9月8日出现霜冻的主要原因是
A.单一冷气团控制 B.单一暖气团控制 C.气旋影响 D.暖锋过境
28.霜冻的出现主要是因为
A.B增加 B.G减弱 C.A减弱 D.I增加
地膜覆盖是一种现代农业生产技术,进行地膜覆盖栽培一般都能获得早熟增产的效果,其效应体现在增温、保温、保水、保持养分、增加光效和防除病虫草等几个方面。结合下图,完成29-30题。

29.我国华北地区在春播时进行地膜覆盖,可有效地提高地温,保障了农作物的正常发芽生长,其主要原理是
A.减弱了射向膜外的地面辐射
B.增强了地膜对太阳辐射的削弱作用
C.增强了太阳辐射的总量
D.增强了对太阳辐射的吸收
30.山东省胶东地区的一些果农夏季在苹果树下覆盖地膜,其主要的作用是
A.减弱地面辐射,保持地温 B.反射太阳辐射,降低地温
C.反射太阳辐射,增加光效 D.吸收太阳辐射,增加地温
雾霾天气的形成过程中,大气层结构(大气中温度、湿度等要素随高度的分布)稳定、风力弱、空气湿度大均起重要作用。读某地区最冷月平均等温面分布图,完成31-32题。

31.最容易出现雾霾天气的是
A.甲地 B.乙地
C.丙地 D.丁地
32.仅考虑海拔对气温的影响,丙、丁两地的相对高度可能是
A.500米 B.1000米
C.1500米 D.2000米
读“中纬度沿海某地某时等压面示意图”,完成33-34题。

33.四地气温、气压的比较,正确的是
A.①比②气温高 B.③比④气压低
C.②比③气压低 D.③比④气温低
34.依据图示信息和所学知识,下列说法正确的是
A.图中风向的成因与东亚季风的成因相同
B.此时①地受高压控制,多阴雨天气
C.甲、乙两地水平气流运动方向相反
D.等压面分布状况出现时间可能在夏季的白天
冰川表面的气温与同海拔自由大气相比,始终处于稳定的低温状态。读图,从热力环流角度考虑,完成35-36题。

35.图中甲地实测最大风频为
A.西南风 B.东南风 C.西北风 D.东北风
36.一天中甲地风力最弱的是
A.7时-9时 B.12时-14时 C.15时-17时 D.4时-6时
秋台风通常是指9月-11月生成的台风。秋台风的数量虽不如夏季台风数量多,但秋季更易生成超强台风(超强台风指底层中心附近最大平均风速≥51.0米/秒,即16级以上),破坏更大。2018年9月16日登陆我国的强台风“山竹”就是典型的秋台风。下左图为1949-2014年西北太平洋和南海生成的台风统计,下右图为台风“山竹”移动实时路径图。据此回答37-38题。

37.受台风“山竹”影响,9月16日12:00至9月16日20:00深圳风向的变化为
A.由东北风转为东南风 B.由东南风转为东北风
C.由西南风转为西北风 D.由西北风转为西南风
38.下列关于秋台风的说法正确的是
①秋季易出现超强台风,是因为夏季向秋季过渡时,太阳直射点由北向南移动导致海温偏高
②与夏季台风相比,秋台风在我国登陆的地点更偏北
③秋季台风登陆时若大陆冷空气活跃,会导致风更大雨更强
④与夏季台风相比,秋台风对农业生产的危害性较小
A.①② B.①③ C.②④ D.③④
河南某中学气象兴趣小组,根据亚欧大陆局部地面等压线分布形势图,探究安徽省秋末冬初天气变化状况。据此完成39-40题。

39.根据上图,学生绘制了四幅安徽省天气要素变化图,最接近实际状况的是

40.该气象兴趣小组预报了安徽省未来两天天气状况,其预报结果最可能出现的是
A.皖北地区滑坡、泥石流地质灾害危险等级较高 B.皖南地区可吸入颗粒物空气污染指数增加
C.皖北地区雨过天晴,农作物易受低温冻害影响 D.江淮地区出现狂风、暴雨、冰雹等强对流天气
二、综合题(共40分)
41.读世界局部地区某时刻水平面等压线分布图(单位:百帕),回答下列问题。(20分)

(1)图中④地此时处于天气系统控制,该天气系统的成因是。此时,我国首都北京受________(高压脊或低压槽)控制,为天气。(4分)
(2)此时,Q、R两地风力较大的是________地,判断理由是________。(5分)
(3)此时,图中①地风向为,②地风向为,两地的风源地相同,为何风向不同?(4分)
(4)③④两地中,该日气温日较差较小的是________地,为什么?(7分)
42.读图文材料,完成下列要求。
材料:河流下切侵蚀,原来的河谷底部超出一般洪水位之上,呈阶梯状分布在河谷谷坡上,被称为河流阶地。随着印度洋板块与亚欧板块的碰撞,天山地区遭受了强烈的挤压缩短和间歇性隆升,气候也越来越干旱。受其影响,天山山麓北坡的奎屯河冲出天山后使河谷两岸形成多级阶地(左图中T1-T6,表示不同时期的阶地分布,数字越大,年代越久远),并深切早期的泥沙质岩层,形成约200米深的奎屯大峡谷。峡谷谷壁近直立,谷壁上的冲沟将两岸雕凿成石林状(见右图)。

(1)读左图,描述奎屯河东西两岸河流阶地的差异。(6分)
(2)分析奎屯大峡谷谷壁陡峻,且多石林状地貌的原因。(8分)
(3)随着气候不断变干,据此推测未来奎屯大峡谷的谷壁地貌可能发生的变化。(6分)
参考答案,仅供参考
一、单项选择题(共40小题,每小题1.5分,共60分)
1.D 2.B 3.D 4.C 5.B 6.C 7.A 8.B 9.B 10.C
11.B 12.D 13.C 14.B 15.A 16.A 17.C 18.B 19.A 20.D
21.A 22.D 23.D 24.A 25.C 26.C 27.A 28.B 29.A 30.C
31.B 32.C 33.B 34.A 35.C 36.A 37.A 38.B 39.B 40.C
二、综合题(共40分)
41.(20分)
(1)高气压(反气旋) 下垫面温度低 高压脊 晴朗(4分)
(2)Q Q地等压线密集,水平气压梯度力大;Q地位于海洋上,摩擦力小。(5分)
(3)西北风 东北风 两地与高压中心的位置关系不同,使两地所受的水平气压梯度力方向不同,所以风向不同。(4分)
(4)③③地受低压槽控制,为阴雨天气;白天有云,大气对太阳辐射的削弱作用强,气温低;夜晚有云,大气逆辐射强,保温作用好,气温较高,因此昼夜温差较小。(7分)
42.(20分)
(1)东岸的阶地数比西岸少;相对于西岸,东岸多为早期阶地,缺少近期阶地;东岸的阶地形态比较完整、连续,西岸除T6外,其他阶地都比较破碎。(6分)
(2)印度洋板块与亚欧板块碰撞挤压,使地壳发生抬升,奎屯河流水下切侵蚀,峡谷谷壁陡峻;该地为松软的泥沙质岩层;天山冰雪融水侵蚀强,易形成密集的、大大小小的冲沟,状如石林。(8分)
(3)随着气候不断变干,天山冰川量减少,奎屯河水补给减少,谷壁坡面的流水侵蚀减弱;气候变干,风力作用增强,岩层风化作用变强,加速石林状谷壁的崩解,谷壁趋于平缓,最终石林状地貌消失。(6分)



